计算题
计算题
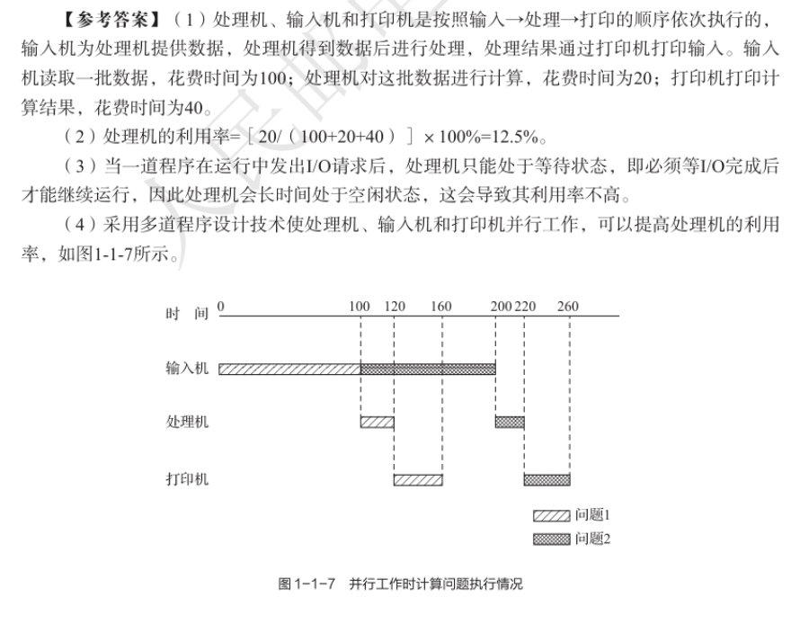
第一章 操作系统引论
25题

解析:

26题

解析:
28题

解析:
第二章 进程的描述与控制
21题
试从调度、并发、拥有资源和系统开销这4个方面对传统进程和线程进行比较。
解析:
简洁对比(考试版):
| 比较方面 | 进程 | 线程 |
|---|---|---|
| 调度 | 进程是资源分配和调度的基本单位 | 线程是调度的基本单位 |
| 并发 | 进程之间并发,开销大 | 同一进程内线程并发,效率高 |
| 拥有资源 | 独立拥有地址空间和系统资源 | 共享进程资源,仅有少量私有资源 |
| 系统开销 | 创建、撤销、切换开销大 | 创建、撤销、切换开销小 |
22题
(考研真题)现代OS一般都提供多进程(或称多任务)运行环境,回答以下问题。
(1)为支持多进程的并发执行,系统必须建立哪些关于进程的数据结构?
(2)为支持进程状态的变迁,系统至少应提供哪些进程控制原语?
(3)在执行每一个进程控制原语时,进程状态会发生什么变化?相应的数据结构会发生什么变化?
解析:
(1)支持多进程并发执行的核心数据结构:
- 进程控制块(PCB):存储进程的基本信息(标识符、状态、优先级等),是进程存在的唯一标志。
- 进程队列:
- 就绪队列:存储所有就绪状态的进程PCB
- 阻塞/等待队列:存储所有阻塞/等待状态的进程PCB
- 运行指针:指向当前正在执行的进程PCB
- 进程表格:记录系统中所有进程的PCB指针,方便快速查找进程信息
(2)进程控制原语:
- 创建原语
- 撤销原语
- 阻塞原语
- 唤醒原语
(3)状态变化与数据结构变化:
| 原语 | 进程状态变化 | 数据结构变化 |
|---|---|---|
| 创建原语 | 无→就绪 | 新建PCB,初始化进程信息,将PCB加入就绪队列 |
| 撤销原语 | 执行/就绪/阻塞→无 | 从相应队列中移除PCB,释放进程资源,销毁PCB |
| 阻塞原语 | 执行→阻塞 | 将进程状态改为阻塞,从执行队列移除,加入阻塞队列 |
| 唤醒原语 | 阻塞→就绪 | 将进程状态改为就绪,从阻塞队列移除,加入就绪队列 |
第三章 处理机调度与死锁
19题

解析:
执行顺序:P₁ → P₃ → P₅ → P₂ → P₄
计算过程:
| 进程 | 到达时间 | 执行时间 | 开始时间 | 完成时间 | 周转时间(完成-到达) |
|---|---|---|---|---|---|
| P₁ | 0.0 | 9 | 0.0 | 9.0 | 9.0 |
| P₃ | 1.0 | 1 | 9.0 | 10.0 | 9.0 |
| P₅ | 7.0 | 2 | 10.0 | 12.0 | 5.0 |
| P₂ | 0.4 | 4 | 12.0 | 16.0 | 15.6 |
| P₄ | 5.5 | 4 | 16.0 | 20.0 | 14.5 |
平均周转时间:(9.0 + 9.0 + 5.0 + 15.6 + 14.5) / 5 = 53.1 / 5 = 10.62
20题
(考研真题)假定要在一台处理机上执行表3-3所示的作业,且假定这些作业在时刻0以1,2,3,4,5的顺序到达。请说明分别采用FCFS、RR(时间片为1)、SJF及非抢占式优先级调度算法时,这些作业的执行情况(优先级的高低顺序依次为1到5)。针对上述每种调度算法,给出平均周转时间和平均带权周转时间。

解析:
作业到达顺序:1,2,3,4,5(均在时刻0到达)
- 先来先服务(FCFS)调度
执行顺序:1 → 2 → 3 → 4 → 5
计算:
| 作业 | 执行时间 | 开始时间 | 完成时间 | 周转时间 | 带权周转时间(周转/执行) |
|---|---|---|---|---|---|
| 1 | 10 | 0 | 10 | 10 | 1.0 |
| 2 | 1 | 10 | 11 | 11 | 11.0 |
| 3 | 2 | 11 | 13 | 13 | 6.5 |
| 4 | 1 | 13 | 14 | 14 | 14.0 |
| 5 | 5 | 14 | 19 | 19 | 3.8 |
平均周转时间:(10+11+13+14+19)/5 = 67/5 = 13.4
平均带权周转时间:(1.0+11.0+6.5+14.0+3.8)/5 = 36.3/5 = 7.26
- 时间片轮转(RR,时间片=1)调度
执行顺序:1→2→3→4→5→1→3→5→1→5→1→5→1→5→1→1→1→1→1→1
计算:
| 作业 | 执行时间 | 完成时间 | 周转时间 | 带权周转时间 |
|---|---|---|---|---|
| 1 | 10 | 19 | 19 | 1.9 |
| 2 | 1 | 2 | 2 | 2.0 |
| 3 | 2 | 7 | 7 | 3.5 |
| 4 | 1 | 4 | 4 | 4.0 |
| 5 | 5 | 14 | 14 | 2.8 |
平均周转时间:(19+2+7+4+14)/5 = 46/5 = 9.2
平均带权周转时间:(1.9+2.0+3.5+4.0+2.8)/5 = 14.2/5 = 2.84
- 短作业优先(SJF)调度
执行顺序:2→4→3→5→1(按执行时间从小到大:1→1→2→5→10)
计算:
| 作业 | 执行时间 | 开始时间 | 完成时间 | 周转时间 | 带权周转时间 |
|---|---|---|---|---|---|
| 1 | 10 | 9 | 19 | 19 | 1.9 |
| 2 | 1 | 0 | 1 | 1 | 1.0 |
| 3 | 2 | 2 | 4 | 4 | 2.0 |
| 4 | 1 | 1 | 2 | 2 | 2.0 |
| 5 | 5 | 4 | 9 | 9 | 1.8 |
平均周转时间:(19+1+4+2+9)/5 = 35/5 = 7.0
平均带权周转时间:(1.9+1.0+2.0+2.0+1.8)/5 = 8.7/5 = 1.74
- 非抢占式优先级调度(优先级1最高,5最低)
优先级顺序:作业2(1)→作业5(2)→作业1(3)→作业3(3)→作业4(4)
执行顺序:2→5→1→3→4
计算:
| 作业 | 执行时间 | 优先级 | 开始时间 | 完成时间 | 周转时间 | 带权周转时间 |
|---|---|---|---|---|---|---|
| 1 | 10 | 3 | 6 | 16 | 16 | 1.6 |
| 2 | 1 | 1 | 0 | 1 | 1 | 1.0 |
| 3 | 2 | 3 | 16 | 18 | 18 | 9.0 |
| 4 | 1 | 4 | 18 | 19 | 19 | 19.0 |
| 5 | 5 | 2 | 1 | 6 | 6 | 1.2 |
平均周转时间:(16+1+18+19+6)/5 = 60/5 = 12.0
平均带权周转时间:(1.6+1.0+9.0+19.0+1.2)/5 = 31.8/5 = 6.36
22题

解析:
要判断系统是否安全,需通过银行家算法:先计算各进程的需求矩阵(Need = Max - Allocation),再检查是否存在一个安全序列(进程能依次完成,释放资源后满足后续进程需求)

23题
(考研真题)假设系统中有下述3种解决死锁的方法:
(1)银行家算法;
(2)检测死锁,终止处于死锁状态的进程,释放该进程所占有的资源;
(3)资源预分配。
简述上述哪种方法允许最大的并发性?请按“并发性”从大到小对上述3种方法进行排序。
答案::
- 检测死锁(方法2)允许最大的并发性,因为它允许进程自由申请资源,只有在检测到死锁时才采取措施终止进程,不限制正常进程的资源申请和执行。
- 银行家算法(方法1)次之,它通过预判断资源分配是否会导致死锁来避免死锁,允许进程动态申请资源,但会对资源分配进行限制。
- 资源预分配(方法3)并发性最低,它要求进程在开始前申请所有需要的资源,导致资源利用率低,限制了进程的并发执行。
并发性从大到小排序:(2)检测死锁 > (1)银行家算法 > (3)资源预分配
25题

解析:
第四章 进程同步
16题
(考研真题)3 个进程 P1、P2、P3 互斥地使用一个包含 N(N>0)个单元的缓冲区。
- P1 每次用
produce()生成一个正整数,并用put()将其送入缓冲区的某一空单元中; - P2 每次用
getodd()从该缓冲区中取出一个奇数,并用countodd()统计奇数的个数; - P3 每次用
geteven()从该缓冲区中取出一个偶数,并用counteven()统计偶数的个数。
请用信号量机制实现这 3 个进程的同步与互斥活动,并说明所定义的信号量的含义。要求用伪代码描述。
答案:
信号量定义及含义:
mutex:互斥信号量,用于实现对缓冲区的互斥访问,初始值为 1;empty:同步信号量,表示缓冲区中空闲单元的数量,初始值为 N;odd:同步信号量,表示缓冲区中奇数的数量,初始值为 0;even:同步信号量,表示缓冲区中偶数的数量,初始值为 0。
伪代码实现:
18题

答案:
20题
桌上有一个能盛得下5个水果的空盘子。爸爸不停地向盘中放苹果和橘子,儿子不停
地从盘中取出橘子享用,女儿不停地从盘中取出苹果享用。规定3人不能同时向(从)盘子中放(取)水果。试用信号量机制来实现爸爸、儿子和女儿这3个“循环进程”之间的同步。
信号量定义及含义:
mutex:互斥信号量,用于实现对盘子的互斥访问,防止三人同时操作盘子,初始值为 1;empty:同步信号量,表示盘子中空闲位置的数量,初始值为 5;apple:同步信号量,表示盘子中苹果的数量,初始值为 0;orange:同步信号量,表示盘子中橘子的数量,初始值为 0。

第五章 存储器管理
12题
(考研真题)假设一个分页存储系统具有快表,多数活动页表项都可以存在于其中。若页表放在内存中,内存访问时间是1ns,快表的命中率是85%,快表的访问时间为0.1ns,则有效存取时间为多少?
答案:
有效存取时间(EAT)的计算公式为:
EAT = 命中率 ×(快表访问时间 + 内存访问时间) + (1 - 命中率)×(快表访问时间 + 内存访问时间 + 内存访问时间)
代入数值:
EAT = 0.85 × (0.1 + 1) + (1 - 0.85) × (0.1 + 1 + 1)
= 0.85 × 1.1 + 0.15 × 2.1
= 0.935 + 0.315
= 1.25 ns
解析:
在分页存储系统中,地址转换和数据访问过程如下:
地址转换机制:
- CPU访问逻辑地址时,需要将其转换为物理地址
- 地址转换需要查找页表,页表通常存放在内存中
- 快表(TLB)是页表的高速缓存,存放最近使用的页表项(物理块号映射)
快表命中时的访问过程:
- CPU首先访问快表(0.1ns),找到对应的页表项(包含物理块号)
- 然后需要根据物理地址访问内存中的实际数据(1ns)
- 所以总时间:快表访问时间 + 内存访问时间(数据) = 0.1ns + 1ns = 1.1ns
- 快表只存储地址转换信息(页表项),不存储实际数据,因此即使快表命中,仍需要访问内存获取数据
快表未命中时的访问过程:
- CPU首先访问快表(0.1ns),未找到对应的页表项
- 然后需要访问内存中的页表(1ns),找到对应的页表项
- 最后需要根据物理地址访问内存中的实际数据(1ns)
- 所以总时间:快表访问时间 + 内存访问时间(页表) + 内存访问时间(数据) = 0.1ns + 1ns + 1ns = 2.1ns
- 快表未命中时,需要先从内存读取页表项,再读取数据,因此需要两次内存访问
有效存取时间:
- 有效存取时间是快表命中和未命中两种情况的加权平均
- 计算公式:EAT = 命中率×(快表访问时间+内存访问时间) + (1-命中率)×(快表访问时间+内存访问时间+内存访问时间)
15题
已知某分页系统,内存容量为64KB,页面大小为1KB,对一个4页大的作业,其0、1、2、3页分别被分配到内存的2、4、6、7块中。
(1)将十进制的逻辑地址1023、2500、3500、4500变换为物理地址。
(2)以十进制的逻辑地址1023为例,画出地址变换过程图。
答案:
(1)地址变换:
页面大小 = 1KB = 2^10 B,因此页内偏移量为10位,页号占剩余位。
逻辑地址1023:
页号 = 1023 / 1024 = 0
页内偏移量 = 1023 % 1024 = 1023
物理块号 = 2
物理地址 = 2 × 1024 + 1023 = 2048 + 1023 = 3071逻辑地址2500:
页号 = 2500 / 1024 = 2
页内偏移量 = 2500 % 1024 = 2500 - 2×1024 = 2500 - 2048 = 452
物理块号 = 6
物理地址 = 6 × 1024 + 452 = 6144 + 452 = 6596逻辑地址3500:
页号 = 3500 / 1024 = 3
页内偏移量 = 3500 % 1024 = 3500 - 3×1024 = 3500 - 3072 = 428
物理块号 = 7
物理地址 = 7 × 1024 + 428 = 7168 + 428 = 7596逻辑地址4500:
页号 = 4500 / 1024 = 4
由于作业只有4页(页号0-3),页号4越界,产生缺页中断或地址越界中断
(2)地址变换过程图:
18题
(考研真题)某系统采用动态分区分配方式管理内存,内存空间为640KB,低端40KB存放OS。系统为用户作业分配空间时,从低地址区开始。针对下列作业请求序列,画图表示使用首次适应算法进行内存分配和回收后内存的最终映像。作业请求序列如下:
作业1申请200KB,作业2申请70KB;
作业3申请150KB,作业2释放70KB;
作业4申请80KB,作业3释放150KB;
作业5申请100KB,作业6申请60KB;
作业7申请50KB,作业6释放60KB。
答案:
首次适应算法内存分配和回收过程:
- 初始状态:内存空间640KB,低端40KB存放OS,用户可用空间为600KB(40KB-640KB)
- 作业1申请200KB:分配40KB-240KB,剩余空间240KB-640KB(400KB)
- 作业2申请70KB:分配240KB-310KB,剩余空间310KB-640KB(330KB)
- 作业3申请150KB:分配310KB-460KB,剩余空间460KB-640KB(180KB)
- 作业2释放70KB:释放240KB-310KB,产生空闲分区:240KB-310KB(70KB),460KB-640KB(180KB)
- 作业4申请80KB:在空闲分区中找到第一个足够大的分区(460KB-640KB),分配460KB-540KB,剩余空间:240KB-310KB(70KB),540KB-640KB(100KB)
- 作业3释放150KB:释放310KB-460KB,产生空闲分区:240KB-310KB(70KB),310KB-460KB(150KB),540KB-640KB(100KB)
- 作业5申请100KB:找到第一个足够大的分区(240KB-310KB不够,310KB-460KB足够),分配310KB-410KB,剩余空间:240KB-310KB(70KB),410KB-460KB(50KB),540KB-640KB(100KB)
- 作业6申请60KB:找到第一个足够大的分区(240KB-310KB),分配240KB-300KB,剩余空间:300KB-310KB(10KB),410KB-460KB(50KB),540KB-640KB(100KB)
- 作业7申请50KB:找到第一个足够大的分区(300KB-310KB不够,410KB-460KB足够),分配410KB-460KB,剩余空间:300KB-310KB(10KB),540KB-640KB(100KB)
- 作业6释放60KB:释放240KB-300KB,产生空闲分区:240KB-300KB(60KB),300KB-310KB(10KB),540KB-640KB(100KB)
最终内存映像:
内存地址范围 状态 作业/空闲
0KB-40KB 已分配 OS
40KB-240KB 已分配 作业1(200KB)
240KB-300KB 空闲 60KB
300KB-310KB 空闲 10KB
310KB-410KB 已分配 作业5(100KB)
410KB-460KB 已分配 作业7(50KB)
460KB-540KB 已分配 作业4(80KB)
540KB-640KB 空闲 100KB20题
某系统的空闲分区如表5-3所示,采用可变分区分配策略处理作业。现有作业序列96KB、20KB、200KB,若采用首次适应算法和最佳适应算法来处理这些作业序列,则哪种算法能满足该作业序列的请求?为什么?
表 5-3 空闲分区表
| 分区号 | 分区大小 | 分区起始地址 |
|---|---|---|
| 1 | 32KB | 100K |
| 2 | 10KB | 150K |
| 3 | 5KB | 200K |
| 4 | 218KB | 220K |
| 5 | 96KB | 530K |
答案:
首次适应算法:
- 作业96KB:找到第一个足够大的分区4(218KB),分配后分区4剩余218KB-96KB=122KB,起始地址316KB
- 作业20KB:找到第一个足够大的分区1(32KB),分配后分区1剩余32KB-20KB=12KB,起始地址120KB
- 作业200KB:查找空闲分区,剩余分区大小:12KB(分区1)、10KB(分区2)、5KB(分区3)、122KB(分区4)、96KB(分区5),均小于200KB,分配失败
最佳适应算法:
- 作业96KB:找到大小最接近的分区5(96KB),刚好分配,分区5被完全占用
- 作业20KB:找到大小最接近的分区1(32KB),分配后分区1剩余32KB-20KB=12KB,起始地址120KB
- 作业200KB:找到大小最接近的分区4(218KB),分配后分区4剩余218KB-200KB=18KB,起始地址420KB
结论:
最佳适应算法能满足该作业序列的请求,而首次适应算法无法满足。因为首次适应算法在分配96KB作业时选择了分区4,导致后续200KB作业无法找到足够大的空闲分区;而最佳适应算法在分配96KB作业时选择了刚好大小匹配的分区5,保留了更大的分区4用于后续的200KB作业分配。
第六章 虚拟存储器
13题
(考研真题)某虚拟存储器的用户空间共有32个页面,每页1KB,内存16KB。假定某时刻系统为用户的第0、1、2、3页分配的物理块号为5、10、4、7,而该用户作业的长度为6页,试将十六进制的逻辑地址0A5C、103C、1A5C变换成物理地址。
答案:
已知条件:
- 用户空间页面数:32页,所以页号位数为5位(2^5=32)
- 页面大小:1KB = 2^10 B,所以页内偏移量位数为10位
- 内存大小:16KB,所以物理块数为16块
- 页表:第0、1、2、3页分别对应物理块号5、10、4、7
- 作业长度:6页,所以有效页号为0-5
- 物理地址 = 物理块号 × 页面大小 + 页内偏移量
地址转换过程:
十六进制逻辑地址0A5C:
- 转换为二进制:0000 1010 0101 1100
- 页号(高5位):00010 = 2
- 页内偏移量(低10位):1001011100 = 0x025C
- 页号2对应物理块号4
- 物理块号4的起始地址:4 × 1KB = 4 × 1024 = 4096(十进制)
- 十进制4096转换为二进制:1000000000000
- 二进制转换为十六进制:0x1000
- 物理地址:0x1000 + 0x025C = 0x125C
十六进制逻辑地址103C:
- 转换为二进制:0001 0000 0011 1100
- 页号(高5位):00100 = 4
- 页内偏移量(低10位):0000001111 = 0x003C
- 页号4未分配物理块,产生缺页中断
十六进制逻辑地址1A5C:
- 转换为二进制:0001 1010 0101 1100
- 页号(高5位):00110 = 6
- 页内偏移量(低10位):1001011100 = 0x025C
- 页号6越界,产生地址越界中断

18题
(考研真题)有一个请求分页式虚拟存储器系统,分配给某进程3个物理块,开始时内存中预装入第1, 2, 3个页面,该进程的页面访问序列为1, 2, 4, 2, 6, 2, 1, 5, 6, 1。
(1)若采用最佳页面置换算法,则访问过程发生的缺页率为多少?
(2)若采用LRU页面置换算法,则访问过程中的缺页率为多少?
答案:
已知条件:
- 物理块数:3
- 初始内存页面:1, 2, 3
- 页面访问序列:1, 2, 4, 2, 6, 2, 1, 5, 6, 1
- 总访问次数:10
(1)最佳页面置换算法:
原则:淘汰“将来最晚再被访问(或不再访问)”的页面
| 访问序列 | 1 | 2 | 4 | 2 | 6 | 2 | 1 | 5 | 6 | 1 |
|---|---|---|---|---|---|---|---|---|---|---|
| 物理块1 | 1 | 1 | 1 | 1 | 1 | 1 | 1 | 1 | 1 | 1 |
| 物理块2 | 2 | 2 | 2 | 2 | 2 | 2 | 2 | 2 | 2 | 2 |
| 物理块3 | 3 | 3 | 4 | 4 | 6 | 6 | 6 | 5 | 6 | 6 |
| 缺页? | ✗ | ✗ | ✓ | ✗ | ✓ | ✗ | ✗ | ✓ | ✗ | ✗ |
缺页情况:
- 初始状态:已装入1, 2, 3(无缺页)
- 访问4:置换3(缺页,总缺页1)
- 访问6:置换4(缺页,总缺页2)
- 访问5:置换6(缺页,总缺页3)
缺页次数:3
缺页率:3/10 = 30%
(2)LRU页面置换算法:
LRU算法选择最近最久未使用的页面进行置换。
| 访问序列 | 1 | 2 | 4 | 2 | 6 | 2 | 1 | 5 | 6 | 1 |
|---|---|---|---|---|---|---|---|---|---|---|
| 物理块1 | 1 | 1 | 1 | 1 | 6 | 6 | 6 | 5 | 5 | 5 |
| 物理块2 | 2 | 2 | 2 | 2 | 2 | 2 | 2 | 2 | 6 | 6 |
| 物理块3 | 3 | 3 | 4 | 4 | 4 | 4 | 1 | 1 | 1 | 1 |
| 缺页? | ✗ | ✗ | ✓ | ✗ | ✓ | ✗ | ✓ | ✓ | ✓ | ✗ |
缺页情况:
- 初始状态:已装入1, 2, 3(无缺页)
- 访问4:置换3(最近最久未使用),物理块变为1, 2, 4(缺页,总缺页1),最近使用顺序:4 → 2 → 1
- 访问2:命中,不缺页,最近使用顺序:2 → 4 → 1
- 访问6:缺页,最近最久未使用的是1,所以置换1,物理块变为6, 2, 4(缺页,总缺页2),最近使用顺序:6 → 2 → 4
- 访问2:命中,不缺页,最近使用顺序:2 → 6 → 4
- 访问1:缺页,最近最久未使用的是4,置换4,物理块变为6, 2, 1(缺页,总缺页3),最近使用顺序:1 → 2 → 6
- 访问5:缺页,最近最久未使用的是6,置换6,物理块变为5, 2, 1(缺页,总缺页4),最近使用顺序:5 → 1 → 2
- 访问6:缺页,最近最久未使用的是2,置换2,物理块变为5, 6, 1(缺页,总缺页5),最近使用顺序:6 → 5 → 1
- 访问1:命中,不缺页,最近使用顺序:1 → 6 → 5
缺页次数:5
缺页率:5/10 = 50%
20题
某系统有4个页,某个进程的页面使用情况如表6-4所示,问采用FIFO、LRU、简单Clock和改进型Clock页面置换算法,分别会置换哪一页?
表 6-4 页面使用情况
| 页号 | 装入时间 | 上次引用时间 | R | M |
|---|---|---|---|---|
| 0 | 126 | 279 | 0 | 0 |
| 1 | 230 | 260 | 1 | 0 |
| 2 | 120 | 272 | 1 | 1 |
| 3 | 160 | 280 | 1 | 1 |
其中,R是读标志位,M是修改位。
答案:
已知条件:
- 页号:0, 1, 2, 3
- 装入时间:126, 230, 120, 160(越小表示越早装入)
- 上次引用时间:279, 260, 272, 280(越大表示越近被引用)
- R(访问位):0表示最近未访问,1表示最近访问过
- M(修改位):0表示未修改,1表示已修改
1. FIFO(先进先出)页面置换算法:
- FIFO算法选择最早装入内存的页面进行置换
- 装入时间从小到大:页2(120) < 页0(126) < 页3(160) < 页1(230)
- 最早装入的是页2
- 置换页:2
2. LRU(最近最久未使用)页面置换算法:
- LRU算法选择上次引用时间最早的页面进行置换
- 上次引用时间从小到大:页1(260) < 页2(272) < 页0(279) < 页3(280)
- 上次引用时间最早的是页1
- 置换页:1
3. 简单Clock页面置换算法:
- 简单Clock算法使用访问位R,遍历所有页面,选择第一个R=0的页面
- 页面R值:页0(0),页1(1),页2(1),页3(1)
- 第一个R=0的页面是页0
- 置换页:0
4. 改进型Clock页面置换算法:
- 改进型Clock算法同时使用访问位R和修改位M,优先级如下:
- R=0,M=0(最佳置换,既未访问也未修改)
- R=0,M=1(未访问但已修改,需要写回)
- R=1,M=0(已访问但未修改)
- R=1,M=1(已访问且已修改)
- 页面状态:
- 页0:R=0,M=0(类型1)
- 页1:R=1,M=0(类型3)
- 页2:R=1,M=1(类型4)
- 页3:R=1,M=1(类型4)
- 类型1的页面只有页0
- 置换页:0
第七章 输入、输出系统
15题
(考研真题)某磁盘的转速为10 000r/min,平均寻道时间为6ms,磁盘传输速率为20MB/s,磁盘控制器时延为0.2ms,读取一个4KB的扇区所需的平均时间约为多少?
答案:
计算步骤:
计算平均旋转延迟:
旋转延迟是磁盘旋转半圈所需的时间
平均旋转延迟 = (60秒/转速) / 2
平均旋转延迟 = (60 / 10000) / 2 = 0.006 / 2 = 0.003秒 = 3 ms计算传输时间:
传输时间 = 数据大小 / 传输速率
传输时间 = 4 KB / 20 MB/s = (4 × 1024 B) / (20 × 1024 × 1024 B/s) = 4 / (20 × 1024) 秒 ≈ 0.0001953125秒 = 0.1953125 ms计算平均访问时间:
平均访问时间 = 平均寻道时间 + 平均旋转延迟 + 传输时间 + 控制器时延
平均访问时间 = 6 ms + 3 ms + 0.1953125 ms + 0.2 ms ≈ 9.395 ms
最终结果:
读取一个4KB扇区所需的平均时间约为 9.4 ms
17题
(考研真题)假设有11个进程先后提出磁盘I/O请求,当前磁头正在110号磁道处,并预向磁道序号增加的方向移动。请求队列的顺序为30、145、120、78、82、140、20、42、165、65,分别用FCFS调度算法和SCAN调度算法完成上述请求,写出磁道访问顺序和每次磁头移动的距离,并计算平均移动磁道数。
答案:
已知条件:
- 当前磁头位置:110号磁道
- 移动方向:向磁道序号增加的方向
- 请求队列:30、145、120、78、82、140、20、42、165、65
(1)FCFS(先进先出)调度算法:
FCFS算法按照请求到达的顺序处理请求。
| 访问顺序 | 磁道 | 移动距离 |
|---|---|---|
| 当前位置 | 110 | - |
| 1 | 30 | 80 |
| 2 | 145 | 115 |
| 3 | 120 | 25 |
| 4 | 78 | 42 |
| 5 | 82 | 4 |
| 6 | 140 | 58 |
| 7 | 20 | 120 |
| 8 | 42 | 22 |
| 9 | 165 | 123 |
| 10 | 65 | 100 |
总移动距离:80 + 115 + 25 + 42 + 4 + 58 + 120 + 22 + 123 + 100 = 689
平均移动磁道数:689 / 10 = 68.9
(2)SCAN(扫描)调度算法:
SCAN算法向一个方向移动,直到没有请求,然后改变方向。当前磁头位置110,方向是向磁道序号增加的方向。
| 访问顺序 | 磁道 | 移动距离 |
|---|---|---|
| 当前位置 | 110 | - |
| 1 | 120 | 10 |
| 2 | 140 | 20 |
| 3 | 145 | 5 |
| 4 | 165 | 20 |
| (改变方向) | ||
| 5 | 82 | 83 |
| 6 | 78 | 4 |
| 7 | 65 | 13 |
| 8 | 42 | 23 |
| 9 | 30 | 12 |
| 10 | 20 | 10 |
总移动距离:10 + 20 + 5 + 20 + 83 + 4 + 13 + 23 + 12 + 10 = (165-110)+(165-20) = 200
平均移动磁道数:200 / 10 = 20.0
18题
(考研真题)磁盘请求服务队列中要访问的磁道分别为38、6、37、100、14、124、65、67,磁头上次访问了20号磁道,当前处于30号磁道上,试采用FCFS、SSTF和SCAN调度算法,分别计算磁头移动的磁道数。
答案:
已知条件:
- 上次访问磁道:20
- 当前磁头位置:30
- 请求队列:38、6、37、100、14、124、65、67
(1)FCFS(先进先出)调度算法:
FCFS算法按照请求到达的顺序处理请求。
| 访问顺序 | 磁道 | 移动距离 |
|---|---|---|
| 当前位置 | 30 | - |
| 1 | 38 | 8 |
| 2 | 6 | 32 |
| 3 | 37 | 31 |
| 4 | 100 | 63 |
| 5 | 14 | 86 |
| 6 | 124 | 110 |
| 7 | 65 | 59 |
| 8 | 67 | 2 |
总移动距离:8 + 32 + 31 + 63 + 86 + 110 + 59 + 2 = 391
(2)SSTF(最短寻道时间优先)调度算法:
SSTF算法选择距离当前磁头位置最近的请求进行处理。
| 访问顺序 | 磁道 | 移动距离 |
|---|---|---|
| 当前位置 | 30 | - |
| 1 | 37 | 7 |
| 2 | 38 | 1 |
| 3 | 14 | 24 |
| 4 | 6 | 8 |
| 5 | 65 | 59 |
| 6 | 67 | 2 |
| 7 | 100 | 33 |
| 8 | 124 | 24 |
总移动距离:7 + 1 + 24 + 8 + 59 + 2 + 33 + 24 = 158
(3)SCAN(扫描)调度算法:
SCAN算法向一个方向移动,直到没有请求,然后改变方向。当前磁头位置30,上次访问20,方向是向磁道序号增加的方向。
| 访问顺序 | 磁道 | 移动距离 |
|---|---|---|
| 当前位置 | 30 | - |
| 1 | 37 | 7 |
| 2 | 38 | 1 |
| 3 | 65 | 27 |
| 4 | 67 | 2 |
| 5 | 100 | 33 |
| 6 | 124 | 24 |
| (改变方向) | ||
| 7 | 14 | 110 |
| 8 | 6 | 8 |
总移动距离:7 + 1 + 27 + 2 + 33 + 24 + 110 + 8 = (124-30) + (124-6) = 212
各算法磁头移动总磁道数:
- FCFS:391
- SSTF:158
- SCAN:212